UA | RU
Каталог товаров
0500353000
Телефоны:
Время работы
  • На время войны работаем без выходных. Прием заказов и консультации по сервису:
  • с 9.00 до 21.00
  • Пн, Вт, Ср, Чт, Пт
  • с 10.00 до 20.00
  • Сб, Вс
E-mail
Мы в соцсетях
Перейти в контакты
0 0
Каталог
Главная
Закладки
0
Сравнить
0
Контакты

VAILLANT Котел газовий ecoTEC plus VU OE 1006 /5 -5 опалення 96,2 кВт (0010015578)

Производитель: VAILLANT Код Товара: 108669-01 Артикул: 0010015578
Все о товаре
Описание
Характеристики
Вопросы0
362 593.20 грн.
Наличие на складах
  • Центр 0
VAILLANT Котел газовий ecoTEC plus VU OE 1006 /5 -5 опалення 96,2 кВт (0010015578)
362 593.20 грн.
Описание

Одноконтурний конденсаційний котел ecoTEC plus VU OE великої потужності

Особливості ecoTEC plus VU OE 806/5-5 - VU OE 1206/5-5:

  • Конденсаційний газовий настінний котел великої потужності 80, 100 та 120 кВт
  • Можливість використання як у приватних будинках, так і оснащувати на їх основі повноцінні котельні: дахові, модульні, що окремо стояти і т.п.
  • Надійність та довговічність за рахунок конструкції теплообмінника
  • Широкий діапазон модуляції пальника від 20% до 100%
  • Середній за опалювальний сезон КПД до 110%
  • Можливість встановлення до 6-ти котлів у каскад, загальною потужністю до 720 кВт
  • Максимальний робочий тиск у 6 бар дозволяє використовувати котел у системах з великою гідростатичною висотою (високоповерхові будинки)

Оснащення

ecoTEC plus VU OE 806/5-5 - VU OE 1206/5-5

:

  • Економія місця за рахунок компактних розмірів настінного котла
  • Новий жаротрубний теплообмінник великого обсягу
  • Вбудована комунікаційна шина
  • Новий дизайн панелі приладів та покращена система діагностики

odnokonturnyi kondensacionnyi kotel ecotec plus vu oe806 5 5 1206 5 5

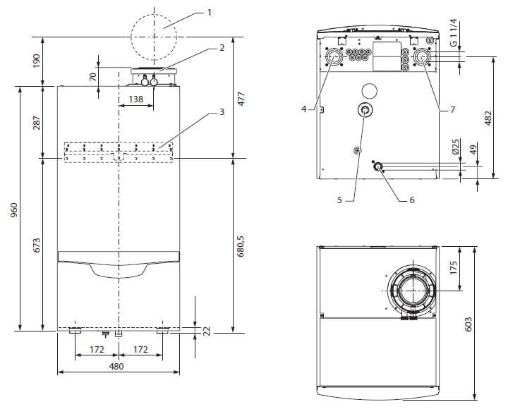
Позначення:

1. Прохід через стіну системи видалення продуктів згоряння та подачі повітря
2. Підключення системи подачі повітря та видалення продуктів згоряння
3. Утримувач приладу
4. Лінія системи опалення
5. Приєднувальний патрубок сифона для конденсату
6. Приєднувальний патрубок газу
7. Зворотна лінія системи

Таблиця характеристики одноконтурного конденсаційного котла ecoTEC plus VU OE більшої потужності

odnokonturny kondensatsionny kotel ecotec plus vu oe bolshoj moshchnosti технічні harakteristiki

Характеристики
Характеристики
Wi-fi
немає
WIFI модуль
Немає
Артикул
0010015578
Бренд
Vaillant
Вага (кг)
86
Виробник
Vaillant
Габарити (В×Ш×Г, мм)
602 x 480 x 960
Гарантія (міс)
24
Діаметр підключення опалення (дюйм)
1
Кількість контурів
1
Колір
Білий
Країна виробник
Німетчина
Мінімальний тиск газу (бар)
0,006
Матеріал основного теплообмінника
Нержавіюча сталь
Матеріал теплообмінника
Нержавіюча сталь
Опалювальна площа (м2)
1000
Потужність (кВт)
100
Різьбове з'єднання (дюйми)
1
Розміри (Ш × В × Г), мм
602 x 480 x 960
Розташування
Навісний
Теплова потужність (кВт)
100
Тип виробу
Конденсаційний
Тип димоходу
Турбований (коаксіальний)
Тип камери згорання
Турбо (закрита)
Тип керування
Електронний (автоматичний)
ТИП КОТЛА
Конденсаційний
Тип розпалу
Електронний (автоматичний)
Тип тяги
Примусова
Тиск газу min (мбар)
0,006
Вопросы и ответы
Добавьте вопрос, и мы ответим в ближайшее время.

Нет вопросов о данном товаре, станьте первым и задайте свой вопрос.