Каталог товарів
Клієнту
Мова:
Тема сайту:
((075)1666906
Наша адреса
Харків, вулиця Шевченка 164
Телефони
Графік роботи
  • На час війни працюємо без вихідних. Прийом замовлень та консультації щодо сервісу:
  • з 9.00 до 21.00
  • Пн, Вт, Ср, Чт, Пт
  • з 10.00 до 20.00
  • Сб, Нд
E-mail
Ми в соцмережах
Перейти до контактів
0 0
Каталог
Головна
Закладки
0
Порівняти
0
Контакти

Vaillant allSTOR exclusive VPS 800/3-7 Буферна накопичувальна ємність, об"єм 778л (0010015126)

Виробник: VAILLANT Артикул: 0010015126
0
Все про товар
Опис
Характеристики
Відгуки 0
Питання0
147 232.80 грн.
Наявність по складах
  • Центр 0
  • Схід 5
Купити цей товар в 1 клік:
Доставка
САМОВИВІЗ
САМОВИВІЗ
БЕЗКОШТОВНО
НОВА ПОШТА
НОВА ПОШТА
ПО ТРИФАМ ПЕРЕВІЗНИКА
КУР'ЄРОМ  М. ХАРКІВ
КУР'ЄРОМ М. ХАРКІВ
БЕЗКОШТОВНО ВІД 3000 ГРН
УКРПОШТА
УКРПОШТА
ПО ТРИФАМ ПЕРЕВІЗНИКА
Оплата
   💵 Готівкою   💳 Карткою на сайті або в магазині   🏢 Безготівковий розрахунок для юр. осіб   👤 Безготівковий розрахунок для фіз. осіб   🕒 Розстрочка та кредити   📦 Післяплата у відділенні служби доставки 💵 Готівкою 💳 Карткою на сайті або в магазині 🏢 Безготівковий розрахунок для юр. осіб 👤 Безготівковий розрахунок для фіз. осіб 🕒 Розстрочка та кредити 📦 Післяплата у відділенні служби доставки
Vaillant allSTOR exclusive VPS 800/3-7 Буферна накопичувальна ємність, об"єм 778л (0010015126)
147 232.80 грн.
Опис

Буферні накопичувальні ємності allSTOR exclusive VPS

Особливості

  • Компактна буферна накопичувальна ємність із пошаровим нагріванням для комбінування різних джерел тепла, таких як сонячна установка, тепловий насос, твердопаливний котел, рідкопаливний котел, газовий котел, електричний котел.
  • Можливість встановлення зовнішньої станції приготування гарячої води, безпосередньо на ємність, для комфортного та гігієнічного гарячого водопостачання. Таким чином, виключається можливість розвитку мікроорганізмів у системах гарячого водопостачання.
  • Можливість встановлення зовнішньої сонячної станції для використання сонячної енергії безпосередньо на ємність (не відноситься до DRAINBACK станцій auroFLOW plus, для них передбачено тільки настінний монтаж)

Оснащення

  • Монтаж сонячної станції та станції приготування гарячої води безпосередньо на буферну ємність
  • Високоякісна сталева ємність
  • Перегородка по центру ємності, що покращує ефект темпратурного розшарування теплоносія у баку.
  • Турбулізатори потоку, що інтенсифікують процес теплопередачі від потоку до теплоносія в ємності
  • Вісім гільз для підключення температурних датчиків за висотою бака.
  • Десять штуцерів для підключення джерел/споживачів тепла
  • Ефективна знімна теплоізоляція (спочатку ємність поставляється без теплоізоляції)

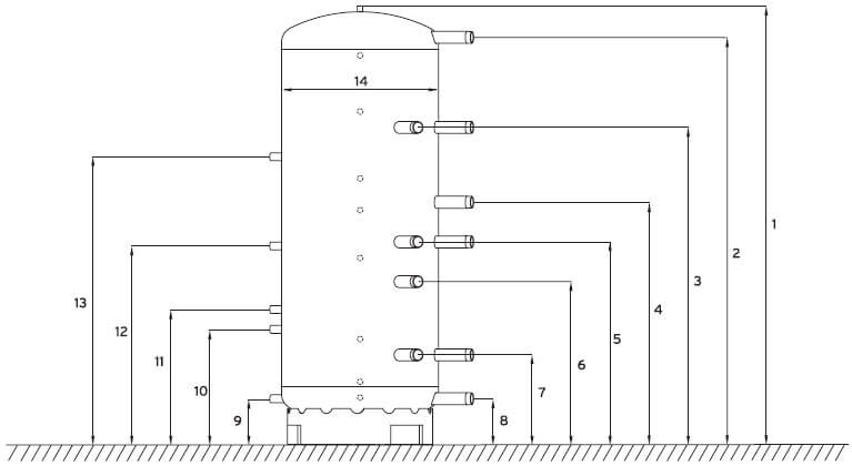
Креслення буферних накопичувальних ємностей allSTOR exclusive VPS

буферні накопичувачі allsor exclusive vpsrazmery
Характеристики
Характеристики
Артикул
0010015126
Бренд
Vaillant
Вага (кг)
130
Висота
1944
Габарити (В×Ш×Г, мм)
1070 x 1070 x 1944
Дiаметр бака, мм
1070
ДІАМЕТР (мм)
1070
Кількість змійовиків
Немає
Країна виробник
Німеччина
Країна реєстрації бренду
Німеччина
Можливість встановлення ТЕНу
ні
Об'єм (л)
800
Розміри (Ш × В × Г), мм
1070 x 1070 x 1944
Розташування
Підлоговий
Спосіб встановлення
Вертикально
Теплоізоляція
Є
Тип виробу
Теплоакумулятор
Товщина ізоляції (мм)
140
Форма
циліндрична
Ширина (мм)
1070
Відгуки

Відгуків про цей товар ще не було.

Немає відгуків про цей товар, станьте першим, залиште свій відгук.

Питання та відповіді
Додайте питання, і ми відповімо найближчим часом.

Немає питань про даний товар, станьте першим і задайте своє питання.

147 232.80 грн.